专注烟尘治理装备及系统研发制造
13584824745
0512-87776137
协昌脉冲电磁阀

台江电磁脉冲阀DCF-T

作者: 发布时间:2022-08-16 14:57:46点击:351720

信息摘要:

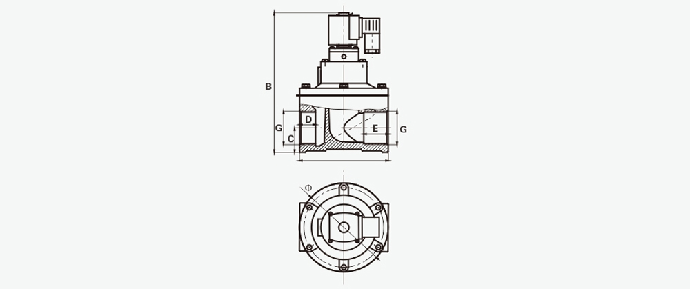
结构原理:电磁阀的结构组件阀坐、金属外壳、电磁线圈、固定铁芯和活动铁芯进气口和排气口。当电磁线圈不通电时靠弹簧的弹力使活动铁芯封死进气口,这时气路堵塞。当电磁线圈通电后,活动铁芯被吸动,铁芯往上抬开启进气口喷嘴,气路连接,使脉冲电磁阀背压室利用电磁阀泄通,脉冲电磁阀喷吹口开启,完成压缩空气的喷吹,电磁线圈断电后弹簧的弹力,使活动铁芯封死进气口,完成电磁阀的一个动作过程。

直通式.jpg

技术类别相关参数
工作压力0.2~0.6MPa
工作介质清洁空气
电压DC24V(AC220V/50Hz)
电流1.25A(0.5A)
防护等级IP65
使用环境

1、温度:-25℃~100℃(常态),120℃(瞬态)

2、空气相对湿度不超过85%

膜片寿命100万次左右

直通尺寸结构图.jpg

型号φABCDEG
DCF-T-25Sφ112127-180252330G1″
DCF-T-40Sφ127127-200342430G1½″
DCF-T-50Sφ160160-200412835G2″

产品售后

苏州协昌环保科技股份有限公司专注防爆电磁阀、智慧除尘、除尘器整体解决方案为一体的高新技术企业,协昌环保坚持“科技研发是第一生产力”为奋斗目标。不断创新是协昌公司的发展动力,专业从事电磁阀生产、智慧除尘系统研发,有30多年丰富的研发经验,获得国家专利50余项。

服务承诺

协昌提供专业的在线咨询,并在2小时内处理您提出的专业问题,在4小时内交付详细的技术资料,协昌在2小时内为您提供合理的报价及解决方案。更有上门考察接待经理,随时接待您的考察,并尽力为您提供考察工作提供各种便利。


本文标签: