专注烟尘治理装备及系统研发制造
13584824745
0512-87776137
协昌脉冲电磁阀

天柱协昌喷吹阀DCF-T

作者: 发布时间:2023-03-02 10:00:51点击:140688

信息摘要:

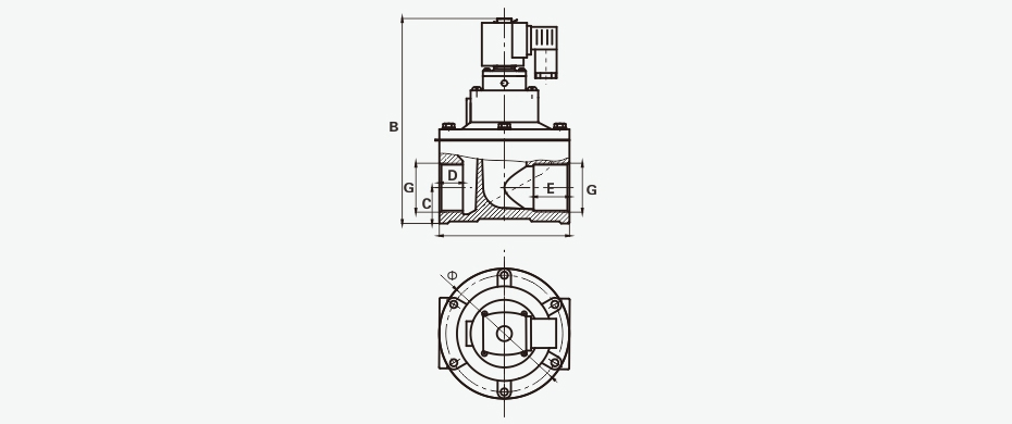
苏州协昌环保直通式电磁脉冲阀的特点是气体进出口中心线在直线上,脉冲阀膜将脉冲阀分为两个气室,脉冲阀关闭,开启动作原理与直角式脉冲阀相同,但气流流动方向为180度,直通式脉冲阀安装方便,常用于脉冲气箱除尘器,缺点是气流通过间体阻力大。


一.直通式电磁脉冲阀安装参考尺寸:

未标题




型号



φ

A

B

C

D

E

G



DCF-T-25S



φ112

127

-180

25

23

30

G1



DCF-T-40S


 

φ127

127

-200

35

24

30

G1½



DCF-T-50S



φ160

160

-220

41

28

35

G2



二.技术参数和指标:

工作压力:0.2~0.6MPa

工作介质:清洁空气

电压:DC24V(AC220V/50Hz)

电流:1.25A(0.5A)

防护等级:IP65

使用环境:1、常温膜片 -10℃~55℃

2、空气相对湿度不超过85%

膜片寿命:100万次

1


关于协昌环保

协昌环保自2016年至今,协昌环保一直专注于物联网技术与袋式除尘技术结合,开发烟尘治理云平台及与之配套的袋式除尘智能电磁脉冲阀,展现传统除尘设备数字化、信息化和智能化的整体解决方案。

未来,苏州协昌也将聚焦于此,持续以工业物联网技术为基础,以电磁脉冲阀的智能化为支点,以洁尘云为平台,为袋式除尘客户提供端、边、云一体全方位的产品体系、整体解决方案及运维服务,推动以袋式除尘为代表的工业烟尘治理智能化进程;协昌致力于“让烟尘治理更便捷,让空气更清洁”的使命,创造“让工业制造像生活一样美好”的愿景!


本文标签: